特点:
1、采用ARM32位Cortex™-M3 内核芯片;
2、电压范围10V-30V,支持宽电压输入;
3、持续电流5A;
4、支持外接制动电阻;
5、支持串口通信和CAN通信;
6、输入功能(驱动器使能,报警复位,紧急停止,正限位,负限位,多段速控制,多段位置控制等);
7、输出功能(驱动器就绪,驱动器错误,电机零速,限位生效等);
8、具有过压保护、欠压保护、电机过热(I²T)保护、短路保护等驱动器保护;
应用领域:
1、家电行业:电风扇,咖啡机,空调压缩,吸尘器等;
2、工业制造:印刷机械,食品加工机械,工业机器人等;
3、汽车:电动车门,雨刷器,汽车空调等;
4、医疗设备:手术台,医疗气泵等。
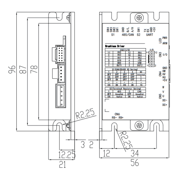
驱动器各部分名称与功能:

工作环境:
环境 | 条件 |
工作温度 | 0℃~40℃ |
工作湿度 | 5~95%RH(无凝露) |
储藏温度 | -10℃~70℃(不结冰) |
储藏湿度 | 90%RH 以下(无凝露) |
保护等级 | IP20 |
安装场所 | 室内无日晒、无腐蚀性气体、无易燃性气体、无油气、无尘埃 |
安装方式 | 垂直安装或水平安装 |
大气压力 | 85kpa~105kpa |
高度 | 额定工作海拔 1000 米以下,工作海拔在 1000 米以上时,每 上升 100 米,需降额 1.5%使用,最大工作高度海拔 4000 米 |
相关参数:
驱动器型号 | BLD2405SC | ||
支持电机类型 | 无刷电机 | ||
输入电压范围 | 10~30V | ||
持续电流 | 5Arms | ||
峰值电流 | 25Ap | ||
反馈信号 | TTL霍尔信号 | ||
能耗制动 | 可外接制动电阻 | ||
能耗制动电压 | 32V(默认值,可设置) | ||
过压报警电压 | DC 36V | ||
欠压报警电压 | DC 8V | ||
冷却方式 | 自然冷却 | ||
重量 | 130g | ||
通用功能 | 输入规格 | 6路数字输入,共GND | |
输入功能 | 可配置功能如下:驱动器使能,报警复位,紧急停止,正限位,负限位,多段速控制,多段位置控制等 | ||
输出规格 | 2路数字输出,共GND端 | ||
输出功能 | 可配置功能如下:驱动器就绪,驱动器错误,电机零速,限位生效等 | ||
模拟输入功能 | 模拟量输入AIN、+5V输出、GND | ||
UART | 默认波特率115200,最大支持115200,可用FULLING上位机连接, 也可使用自定义协议与控制器通讯 | ||
保护功能 | 过压保护、欠压保护、电机过热(I²T)保护、短路保护驱动器过热保护等 | ||
UART波特率 | 115200bps (默认值,可修改) | ||
CAN波特率 | 500kbps (默认值,可修改) | ||

Copyright 2023 版权所有 江苏富兴电机技术股份有限公司 苏ICP备05002292号-1