 
							
						 
							
						 
							
						 
							
						 Parameter
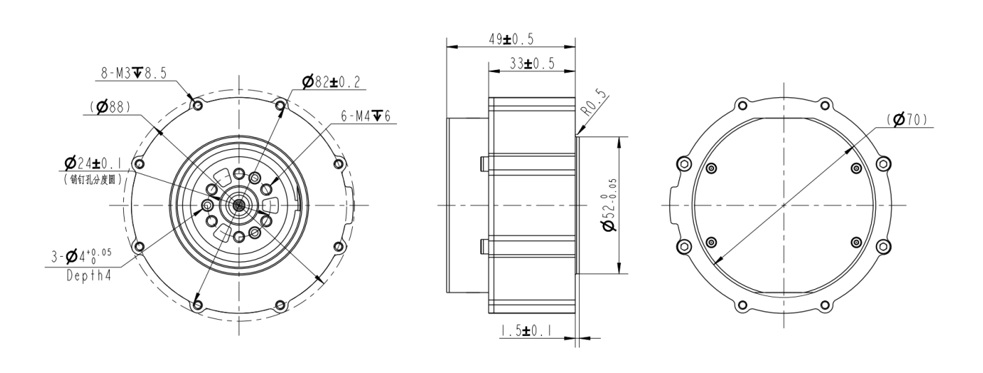
Parameter Overall Dimensions
Overall Dimensions Download
Download Cooperation
Cooperation电气特性(Electrical Specs)
| 科目 Item | 参数 Spec | 
| 磁编码器 Magnetic Encoder | 2 pcs | 
| 额定电压 Rated Voltage | 48V | 
| 使用电压范围 Voltage Range | 15-60V | 
| 额定输出功率 Rated Output Power | 115w ±10% | 
| 额定扭矩 Rated Torque | 11N.m | 
| 峰值扭矩 Peak Torque | 36N.m | 
| 运转方向 Running Direction | CW/CCW | 
| 使用温度范围 Temperature Range | -20~50℃ | 
| 使用湿度范围 Humidity Range | 5~85% | 
| 保存温度范围 Storage Temperature Range | -30~70℃ | 
| 绝缘等级 Insulation Level | Class B | 
| 空载转速 No-load Speed | 480 rpm ± 10% | 
| 空载电流 No-load Current | 0.98 Arms | 
| 额定负载转速 Rated Load Speed | 100 rpm ± 10% | 
| 额定负载相电流 Rated Load Phase Current | 14.3Apk ± 10% | 
| 峰值相电流 Peak Phase Current | 57Apk ± 10% | 
| 绝缘电阻/定子绕组 Insulation Resistance/ Stator Winding | DC 500VAC,100M 0hms | 
| 耐高压/定子与机壳 High Voltage Resistance/ Stator and Casing | 600VAC, 1s, 2mA | 
| 电机反电势 Back-EMF | 7.4 Vrms/rpm ±10% | 
| 转矩常数 Torque Constant | 1.09 N.m/Arms | 
机械参数(Mechanical Specs)
| 科目 Item | 参数 Spec | 
| 重量 Weight | 621g ±3g | 
| 极数 Pole | 28 | 
| 相数 Phase | 3 | 
| 驱动方式 Drive Method | FOC | 
| 减速比 reduction ratio | 9:1 | 
性能曲线(Performance Curves)
48V T-N曲线(T-N under 48V)

最大过载曲线(Max Overload)
| 负载 Load (N.m) | 工作时间 Operating Time (s) | 
| 36 | 4 | 
| 30 | 8 | 
| 25 | 18 | 
| 20 | 36 | 
| 17 | 200 | 
| 11 | rated | 


Copyright 2023 Copyright Jiangsu Fulling Motor Technology Co., Ltd.